FEBI BILSTEIN Brzdový kotouč zadní strana 171502
Počet děr ráfku kola : 5 -díra montovaná strana : Zadní náprava tloušťka/síla( v mm) : 101 mm Hmotnost [kg] : 8,3 kg typ brzdového kotouče : plný síla brzdového kotouče v mm : 11 mm minimální tloušťka (v mm) : 9,5 mm Vnější průměr [mm] : 300 mm Centrovací průměr [mm] : 50 mm Kruhový vyvrt ? 2 [mm] : 108 mm povrch : olejováno Doplňující výrobek/info 2 : s ABS senzorem Doplňující výrobek/info 2 : s ložiskem (kola) Dbejte servisních informaci : více informací

Počet děr ráfku kola : 5 -díra montovaná strana :
Počet děr ráfku kola : 5 -díra Výška ( v mm ) : 101,1 mm Hmotnost [kg] : 8,7 kg typ brzdového kotouče : plný síla brzdového kotouče v mm : 11 mm Vnější průměr [mm] : 300 mm Kruhový vyvrt ? 2 [mm] : 108 mm povrch : nátěr Doplňující výrobek/info 2 : s ABS senzorem průměr náboje [mm] : 169 mm
Počet děr ráfku kola : 5 -díra Výška ( v mm ) : 101,2 mm typ brzdového kotouče : plný síla brzdového kotouče v mm : 11 mm minimální tloušťka (v mm) : 9,5 mm Vnější průměr [mm] : 300 mm Centrovací průměr [mm] : 50 mm povrch : nátěr Doplňující výrobek/info 2 : s ložiskem (kola) Doplňující výrobek/info 2 : s integrovaným magnetickým senzorovým kroužkem Netto váha [kg] : 7,73 kg
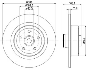
Výška ( v mm ) : 103,1 mm Hmotnost [kg] : 9,4 kg typ brzdového kotouče : plný síla brzdového kotouče v mm : 11 mm minimální tloušťka (v mm) : 9,5 mm Počet děr v brzdovém bubnu : 05/05 vnitřní průměr [mm] : 154,2 mm Vnější průměr [mm] : 300 mm Centrovací průměr [mm] : 52,3 mm Kruhový vyvrt ? 2 [mm] : 108 mm Doplňkový výrobek/ doplňkové info : s nápravovým kloboučkem povrch : nátěr Doplňující výrobek/info 2 : s nábojem kola Doplňující výrobek/info 2 : s ložiskem (kola) Doplňující výrobek/info 2 : s integrovaným magnetickým senzorovým kroužkem Doplňující výrobek/info 2 : bez šroubů vozidlového kola Průměr čepu nápravy [mm] : 25 mm Průměr díry pro šroub kola [mm] : 14 mm Délka balení [cm] : 30,8 cm Šířka balení [cm] : 30,8 cm Výška balení [cm] : 12,7 cm
Počet děr ráfku kola : 5 -díra montovaná strana :
Počet děr ráfku kola : 5 -díra montovaná strana :
Výška ( v mm ) : 103,1 mm Hmotnost [kg] : 9,4 kg typ brzdového kotouče : plný síla brzdového kotouče v mm : 11 mm minimální tloušťka (v mm) : 9,5 mm Počet děr v brzdovém bubnu : 05/05 vnitřní průměr [mm] : 154,2 mm Vnější průměr [mm] : 300 mm Centrovací průměr [mm] : 52,3 mm Kruhový vyvrt ? 2 [mm] : 108 mm Doplňkový výrobek/ doplňkové info : s nápravovým kloboučkem povrch : nátěr Doplňující výrobek/info 2 : s nábojem kola Doplňující výrobek/info 2 : s ložiskem (kola) Doplňující výrobek/info 2 : s integrovaným magnetickým senzorovým kroužkem Doplňující výrobek/info 2 : bez šroubů vozidlového kola Průměr čepu nápravy [mm] : 25 mm Průměr díry pro šroub kola [mm] : 14 mm